Features
◇ Internal rib structure can effectively increases friction force between suction cup and workpiece.
◇ Flat structure is suitable for handling workpiece with even surface.
◇ 1.5 Bellows structure is suitable for handling workpiece with irregular shape.
◇ Deep structure is suitable for block shape and ball shape workpiece.
◇ Various materials are available. Conductive material can effectively prevent static damage to electronic products.
◇ Various sizes suitable for workpiece with different sizes.
Applications
◇ Cardboard box
◇ Small semiconductor profile
◇ Electronic products
◇ Food
◇ Spherical object
| How to order | |||
| SZ B 10 N ① ② ③ ④ | |||
| ① Series | ② Suction cup type | ③ Diameter | ④Material & Hardness |
| SZ | U - Flat C - Flat with ribs B - Bellows D - Deep | 2 -φ2mm 4 -φ4mm 6 -φ6mm 8 -φ8mm 10 -φ10mm 13 -φ13mm 16 -φ16mm 20 -φ20mm 25 -φ25mm 32 -φ32mm 40 -φ40mm 50 -φ50mm | N - NBR★ WS - White silicone★ CN - Cuductive silicone CS - Conductive silicone F - Fluorine rubber E - EPDM HP - Non-mark material |
◇Note:"★" - common material, in stock. For other materials, please consult with AIRBEST.
◇Note: HP material suits suction cup SZU10-50, SZB10-50.
| Selection | ||||
| Diemeter/ Suction cup type | U | C | B | D |
| 2 | ● | - | - | - |
| 4 | ● | - | - | - |
| 6 | ● | - | ● | - |
| 8 | ● | - | ● | - |
| 10 | ● | ● | ● | ● |
| 13 | ● | ● | ● | - |
| 16 | ● | ● | ● | ● |
| 20 | ● | ● | ● | - |
| 25 | ● | ● | ● | ● |
| 32 | ● | ● | ● | - |
| 40 | ● | ● | ● | ● |
| 50 | ● | ● | ● | - |
◇Note: "●"- standard, in stock. "-"-unavailable.
| Technical parameters | ||||||
| Diameter | Pull—out force(N) | Inner volume(cm³) | Recommended tube diameter (mm) | |||
| U | C | B | D | |||
| 2 | 0.2 | <0.1 | - | - | - | 4.0 |
| 4 | 0.6 | <0.1 | - | - | - | 4.0 |
| 6 | 1.2 | <0.1 | - | <0.1 | - | 4.0 |
| 8 | 2.2 | <0.1 | - | <0.1 | - | 4.0 |
| 10 | 3.5 | 0.2 | 0.2 | 0.3 | 0.3 | 6.0 |
| 13 | 6.0 | 0.2 | 0.2 | 0.9 | - | 6.0 |
| 16 | 9.6 | 0.3 | 0.3 | 1.3 | 0.6 | 6.0 |
| 20 | 15.0 | 0.6 | 0.6 | 2.2 | - | 6.0 |
| 25 | 24.0 | 0.9 | 0.9 | 3.3 | 1.5 | 6.0 |
| 32 | 38.0 | 1.6 | 1.6 | 7.2 | - | 6.0 |
| 40 | 60.0 | 3.5 | 3.5 | 15.0 | 9.0 | 6.0 |
| 50 | 92.0 | 6.0 | 6.0 | 25.0 | - | 6.0 |
◇Note: Testing vacuum level -60kPa.Workpiece with smooth and clean surface. The data of pull-out force as above are
figured out without considering safety factor. The data may be different according to different workpiece surfaces.

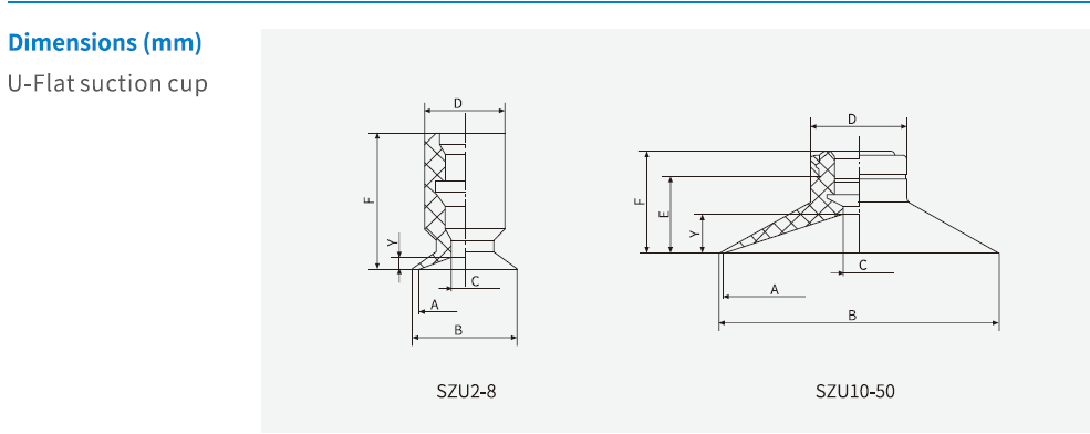
| Model/Size | A | B | C | D | E | F | Y |
| SZU2 | 2.0 | 2.6 | 1.2 | 7.0 | - | 12.0 | 0.5 |
| SZU4 | 4.0 | 4.8 | 1.6 | 7.0 | - | 12.0 | 0.8 |
| SZU6 | 6.0 | 7.0 | 2.5 | 7.0 | - | 12.0 | 0.8 |
| SZU8 | 8.0 | 9.0 | 2.5 | 7.0 | - | 12.0 | 1.0 |
| SZU10 | 10.0 | 12.0 | 4.0 | 13.0 | 7.7 | 12.0 | 3.0 |
| SZU13 | 13.0 | 15.0 | 4.0 | 13.0 | 7.7 | 12.0 | 3.0 |
| SZU16 | 16.0 | 18.0 | 4.0 | 13.0 | 8.2 | 12.5 | 3.5 |
| SZU20 | 20.0 | 23.0 | 4.0 | 15.0 | 9.5 | 14.0 | 4.0 |
| SZU25 | 25.0 | 28.0 | 4.0 | 15.0 | 9.5 | 14.0 | 4.0 |
| SZU32 | 32.0 | 35.0 | 4.0 | 15.0 | 10.0 | 14.5 | 4.5 |
| SZU40 | 40.0 | 43.0 | 7.0 | 18.0 | 13.7 | 18.5 | 6.5 |
| SZU50 | 50.0 | 53.0 | 7.0 | 18.0 | 14.7 | 19.5 | 7.5 |

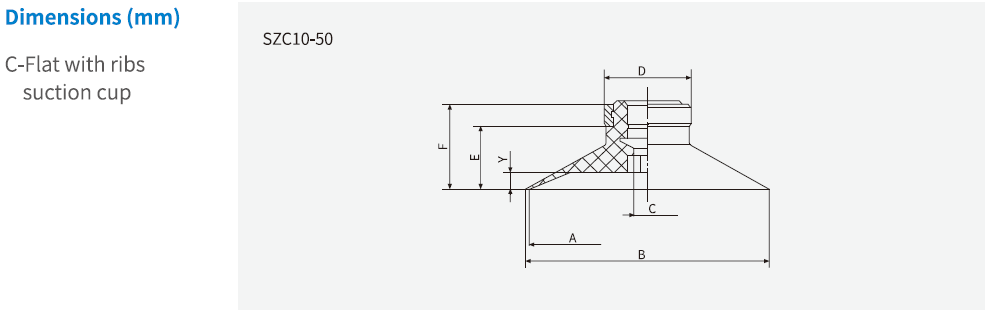
| Model/Size | A | B | C | D | E | F | Y |
| SZC10 | 10.0 | 12.0 | 4.0 | 13.0 | 7.7 | 12.0 | 1.7 |
| SZC13 | 13.0 | 15.0 | 4.0 | 13.0 | 7.7 | 12.0 | 1.8 |
| SZC16 | 16.0 | 18.0 | 4.0 | 13.0 | 8.2 | 12.5 | 1.2 |
| SZC20 | 20.0 | 23.0 | 4.0 | 15.0 | 9.5 | 14.0 | 1.7 |
| SZC25 | 25.0 | 28.0 | 4.0 | 15.0 | 9.5 | 14.0 | 1.8 |
| SZC32 | 32.0 | 35.0 | 4.0 | 15.0 | 10.0 | 14.5 | 2.3 |
| SZC40 | 40.0 | 43.0 | 7.0 | 18.0 | 13.7 | 18.5 | 3.3 |
| SZC50 | 50.0 | 53.0 | 7.0 | 18.0 | 14.7 | 19.5 | 3.8 |

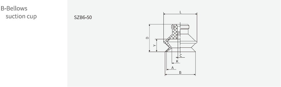
| Model/Size | A | B | C | D | K | L | Y |
| SZB6 | 6.0 | 7.0 | 2.5 | 13.0 | 3.3 | 9.1 | 4.0 |
| SZB8 | 8.0 | 9.0 | 2.5 | 13.0 | 4.7 | 10.1 | 4.0 |
| SZB10 | 10.0 | 12.0 | 4.0 | 16.0 | 5.5 | 13.8 | 5.5 |
| SZB13 | 13.0 | 15.0 | 4.0 | 18.5 | 8.7 | 19.0 | 7.5 |
| SZB16 | 16.0 | 18.0 | 4.0 | 20.0 | 9.9 | 21.0 | 8.5 |
| SZB20 | 20.0 | 22.0 | 4.0 | 23.5 | 12.4 | 25.0 | 10.5 |
| SZB25 | 25.0 | 27.0 | 4.0 | 24.0 | 15.6 | 28.0 | 10.5 |
| SZB32 | 32.0 | 34.0 | 4.0 | 29.0 | 18.9 | 37.0 | 14.0 |
| SZB40 | 40 | 43 | 7 | 34 | 24.4 | 48 | 16 |
| SZB50 | 50 | 53 | 7 | 38 | 32.4 | 57 | 19 |

| مدل | D | D1 | D2 | d | H | H1 | h |
| SZD10 | 12 | 10 | 4 | 13 | 15 | 10.7 | 6 |
| SZD16 | 18 | 16 | 4 | 13 | 16 | 11.7 | 7 |
| SZD25 | 28 | 25 | 4 | 15 | 20 | 15.5 | 10 |
| SZD40 | 43.5 | 41 | 7 | 18 | 28 | 23.5 | 17 |